½ñÌìÊÇ£º2026-02-25 ½Ó´ýÀ´µ½½¹µãÓéÀÖ¹Ù·½ÍøÕ¾£¡
ÁªÏµ½¹µãÓéÀÖ ÔÚÏßÁôÑÔ
רҵÉú²ú¡¢ÏúÊÛ¡°ÑÇÌ©ÅÆ¡±¡¢¡°YATA¡±¡¢¡°YTSY¡±ÏµÁеȹܲÄ
18030485686
ÍøÕ¾Ê×Ò³
¹ØÓÚ½¹µãÓéÀÖ
ÅÅË®¹ÜϵÁÐ
ËÜÁϼì²é¾®
¸øË®¼°µçÁ¦¹ÜϵÁÐ
¹¤³Ì°¸Àý
ÆóÒµ×ÊѶ¶¯Ì¬
ÁªÏµ½¹µãÓéÀÖ
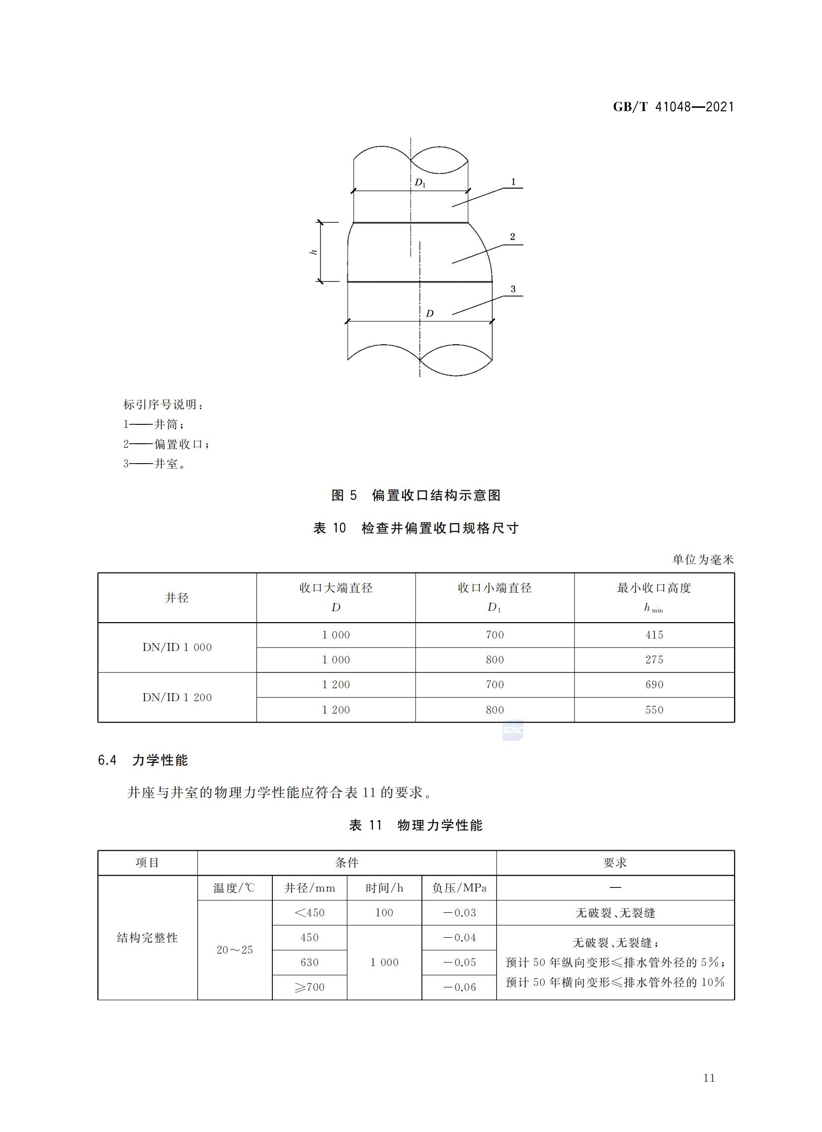
³ÇÕòÅÅË®ÓÃËÜÁϼì²é¾®ÊÖÒÕÒªÇóGB/T41048-2021
ÍÆ¼ö²úÆ·
°Ù¶È
½¹µãÓéÀÖ ¹«Ë¾µç»°£º028-86799038 ÓªÒµ×Éѯ£º18030485686£¨³Ì˾Àí£© ÓªÒµ×Éѯ£º18108267848£¨ÖÜ˾Àí£© µç×ÓÓÊÏ䣺service@scyasu.com Éú²ú»ùµØ£ºËÄ´¨ÃàÑô¡ª¡ªºÓ±±Æ½Îä¹¤ÒµÔ°Çø Éú²ú»ùµØ£ºÕã½Ì¨ÖÝ¡ª¡ª»ÆÑҳDZ±¿ª·¢Çø ¹«Ë¾µØµã£º³É¶¼»áÎäºîÇø³¤Òæ¶«¶þ·1ºÅ10¶°10²ã1006-1007
¾®Í¨Ëĺ££¬£¬£¬£¬£¬£¬¹ÜÁ¬ÉñÖÝ£¬£¬£¬£¬£¬£¬ÑÇÌ©ÖйúרҵÉú²ú¡¢ÏúÊÛ¡°ÑÇÌ©ÅÆ¡±¡¢¡°YATA¡±¡¢¡°YTSY¡±ÏµÁеȹܲÄ
ɨһɨ¹Ø×¢ÎÒÃÇ
ÌìÏÂÃâ·ÑЧÀÍÈÈÏß 028-86799038